Zhejiang SehnaAider Electric Co., Ltd.
Zhejiang SehnaAider Electric Co., Ltd.
Aurrealdi
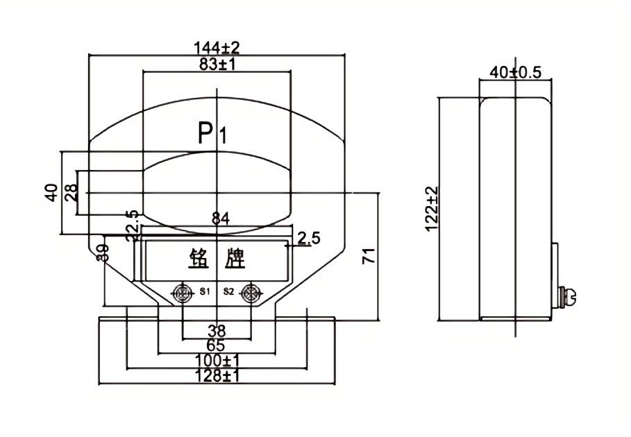
LMZJ1-0.5-80 Egungo Transformers
  • LMZJ1-0.5-80 Egungo TransformersLMZJ1-0.5-80 Egungo Transformers

LMZJ1-0.5-80 Egungo Transformers

LMZJ1-0.5-80 Egungo transformadoreak zehaztasunez diseinatuta daude sistema elektrikoetan neurketa eta babes aplikazio zehatzak lortzeko. 0,5-80A-ko uneko sailkapenarekin, transformatzaile hauek errendimendu fidagarria eta zehatza ematen dute industria-inguruneetan.

LMZJ1-0.5-80 Egungo transformadoreak zehaztasun handiz, fase baxuko angeluen akatsagatik eta linealtasun bikainagatik da, gaur egungo mailen neurketa zehatza bermatuz. Egungo transformadore hauek trinkoak eta erraz instalatzeko diseinatuta daude, sistema elektrikoen konfigurazio sorta zabal baterako egokiak dira. Kalitate handiko materialekin eraikia, LMZJ1-0.5-80 Egungo transformadoreak iraunkorrak dira eta epe luzerako egonkortasuna eskaintzen dute etengabeko funtzionamenduan. Fidatu LMZJ1-0.5-80 Egungo transformadoreak uneko neurketa zehatza eta zure sistema elektrikoen babes fidagarria lortzeko.


Zehaztapen

Tentsio kalifikatua 500V
Maiztasun kalifikazioa 50hz
Korronte primarioa kalifikatua 10a, 12.5a, 15a, 20a, 25a .., 6000a
Bigarren mailako korrontea 5a; 1a
Bigarren mailako kargaren potentzia
faktore
0,8 (atzerapena)
Baloratutako irteera 2.5va, 5va, 10va, 20va
Zehaztasun 0,2; 0,2S; 0,5; 0,5S
Isolamenduarekiko erresistentzia Bigarren mailako bihurrien arteko logotipoaren erresistentzia
eta lurra ≥20mω
Potentzia maiztasuna
tentsioari eutsi
Bigarren mailako bihurrien arteko baliozko balioa jasan
eta lurra ≥ 3kv

Hot Tags: LMZJ1-0.5-80 Egungo Transformers
Bidali kontsulta
Harremanetarako informazioa
Aurrekontuari edo lankidetzari buruzko edozein zalantza baduzu, jar zaitez libre bidaltzeko river@dahuec.com helbidean edo erabili hurrengo kontsulta orria. Salmentako ordezkaria zurekin harremanetan jarriko da 24 orduren buruan. Eskerrik asko gure produktuenganako interesagatik.
X
We use cookies to offer you a better browsing experience, analyze site traffic and personalize content. By using this site, you agree to our use of cookies. Privacy Policy
Reject Accept