Zehaztasun handiko klasea 0,5 - Oraingo neurketa zehatza eskaintzen du neurketa eta jarraipenetarako aplikazioak egiteko.
Neurketa zabala - egungo ratio ugari onartzen ditu hainbat karga baldintza egokitzeko.
Diseinu trinkoa eta arina - erraz instalatu espazio estuetan errendimendua arriskuan jarri gabe.
Egonkortasun termiko bikaina - Eragiketa egonkorra bermatzen du, tenperatura gorabeheretan ere.
Isolamendu eta segurtasun sendoa - Industriaren segurtasun arauak betetzen ditu, akats elektrikoen aurkako babes fidagarria eskainiz.
Aplikazio polifazetikoak - Potentzia banaketa paneletan, industria automatizazioan eta energia berriztagarrien sistemetan erabiltzeko aproposa.
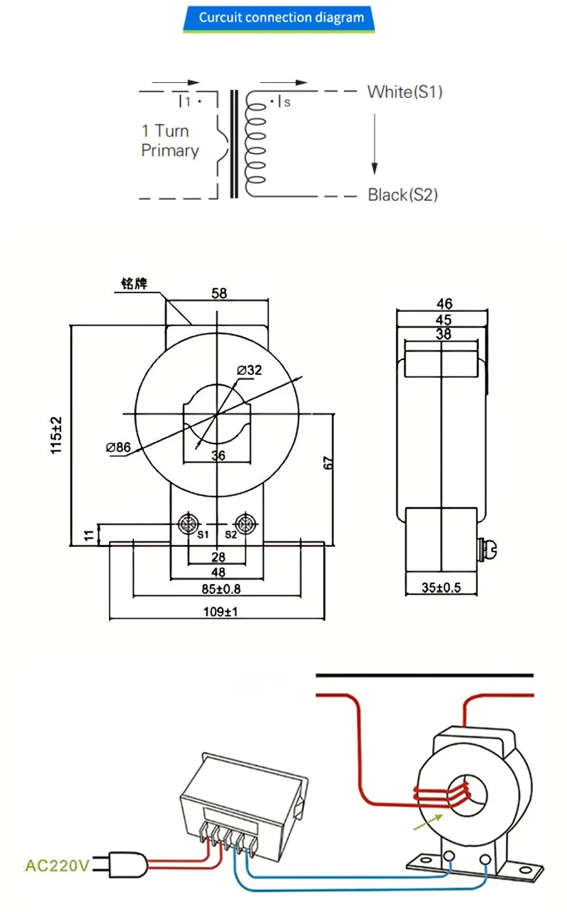
Uneko lehen mailako baloratu: pertsonalizagarria (adibidez, 5a ~ ~ 2000A)
Bigarren mailako korrontea: 5a edo 1A (estandarra)
Zehaztasun klasea: 0,5
Maiztasuna: 50hz / 60hz
Isolamendu maila: 3KV arte
Eragiketa tenperatura: -25 ° C eta 70 ° C
Potentzia neurtzea eta energiaren jarraipena
Babes erreleboak eta zirkuituak
Sistema elektriko industrialak eta komertzialak
Eguzki eta energia eolikoaren instalazioak

Helbidea
Xiangyang Industria Zona, Yueqing, Zhejiang, Txina
Tel
Posta elektronikoa