Zhejiang SehnaAider Electric Co., Ltd.
Zhejiang SehnaAider Electric Co., Ltd.
Aurrealdi
BH-0,66-60 Egungo Transformers
  • BH-0,66-60 Egungo TransformersBH-0,66-60 Egungo Transformers

BH-0,66-60 Egungo Transformers

BH-0,66-60 egungo transformadoreek PC sugarra hartzen dute. Ultra - zehaztasun handiko maila altuak, esaterako, 0,2 eta 0,5S, iman superkonduktuak soilik bete ditzakete horrelako zehaztasun baldintzak.

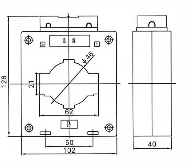
BH-0,66-60 Egungo transformadoreak 50Hz-ko maiztasunarekin eta 0,66KV, 0,69KV, 0,5KV eta beheaneko tentsioaren arabera aplikagarria da.


Dahu-ren egungo transformadore hau barruko erabilerarako da, banaketa-armairuak eta laukien barruan instalatuta. Zirkuitu magnetikoko diseinu magnetikoa, konpentsazio metodo aurreratuak, prozesatzeko teknika bikainak, errendimendu segurua eta fidagarria eta itxura txiki eta ederra ditu.


Kanpoko maskorra indar handiko sugarra da - Erabateko ordenagailua guztiz itxita dagoen egitura eta sugarra - V1-ren ratter rating. Barne-nukleoa kalitate handiko aleak orientatutako silikoko altzairuzko xaflak dira. Kablearen diametroa zorrotz hautatzen da korronte ekonomikoaren dentsitatearen arabera, tenperatura igoera gutxiago izateko. Proba-ekipamendu aurreratu eta fidagarriekin, kalitate estandarrak betetzen direla ziurtatzen du.


Zulo karratuak eta biribilak ditu, erro bakarreko edo anitzeko kable bidezko hartzerako edo bakarreko busbar barneratzeko. Produktuen serie osoa, zehaztapen ugari eta aplikazio sorta zabala ditu.


Eska

Energia Jarraipena eta Neurgailua

Zirkuituaren Babes eta Errele Koordinazioa

Automatika industriala eta sare adimendun sistemak

Zehaztapen teknikoak

Baloratutako tentsioa: 0,66KV

Maiztasuna: 50 / 60hz

Zehaztasun klasea: 0,5, 1.0 (pertsonalizagarria)

Isolamendu maila: 3kV / min


Parametro tekniko nagusiak

Lehen mailako baloratu
korrontea (a)
Zehaztasun
eskolak
konbinazio
Bigarren mailako irteera (VA) 1S korronte termikoa (ka) Korronte dinamikoa (ka)
0,2 (k) 0.2 0.5 10p10
5-40 0,2 / 10p10
0,5 / 10P10
/ 10 10 15 90lin 220lin
5-40 100lin 250lin
5-40 20 50
5-40
5-40 36 90
10
5-40 45 100
5-40 56 100
5-40
5-40 80 110
5-40 100 110


Hot Tags: BH-0,66-60 Egungo Transformers
Bidali kontsulta
Harremanetarako informazioa
Aurrekontuari edo lankidetzari buruzko edozein zalantza baduzu, jar zaitez libre bidaltzeko river@dahuec.com helbidean edo erabili hurrengo kontsulta orria. Salmentako ordezkaria zurekin harremanetan jarriko da 24 orduren buruan. Eskerrik asko gure produktuenganako interesagatik.
X
We use cookies to offer you a better browsing experience, analyze site traffic and personalize content. By using this site, you agree to our use of cookies. Privacy Policy
Reject Accept